ボンズカジノ 安全性

Properly treat gases emitted from factories
to prevent air pollution

Factory Waste Gas treatment equipment plays an important role ボンズカジノ 安全性 preventing air pollution and reducing health damage by removing pollutants and soot from gases emitted from factories.
ボンズカジノ 安全性 recent years, there has been an increase ボンズカジノ 安全性 equipment renewal due to strengthened efforts ボンズカジノ 安全性 SGDs and the introduction of biomass boilers and CO2 emission reduction technologies, and the need for Waste Gas treatment is also on the rise.

We utilize the extensive experience and technology we have cultivated ボンズカジノ 安全性 the design, construction, operation and maintenance of facilities not only throughout Japan but also overseas to provide solutions that fit the needs of the times and society.


Responding to accelerating and diverse challenges

Modern factory Waste Gas treatment facilities require stable operation that does not require much maintenance under various gas conditions and high reliability. The Moretana Scrubber developed by our company has a simple and compact structure, and is designed to be maintenance-free. ボンズカジノ 安全性 addition, the contact efficiency between the gas and the absorbing liquid is good, so the pollutant removal rate is high and stable operation is possible.
We face various challenges with the technical capabilities we have cultivated through our extensive track record and experience accumulated over many years.

  • Proposal for an environmentally friendly facility
  • Proposals for facilities suited to each ボンズカジノ 安全性

Providing technology, know-how, and products that can flexibly accommodate any ボンズカジノ 安全性

We have been working on improving and streamlining equipment for half a century. We respond flexibly to diversifying needs and provide efficient Waste Gas treatment equipment.

  • Compatible with any gas volume

    We can provide small to large equipment depending on the amount of gas required.

  • Selecting the optimal desulfurization process

    Depending on your needs, we can provide methods such as the lime-gypsum method, magnesium hydroxide method, seawater method, and caustic soda method.

  • Other acidic Waste Gas treatment, VOC removal

    ボンズカジノ 安全性 addition to desulfurization equipment, we can also provide other acidic Waste Gas treatment and VOC removal equipment.

One-stop comprehensive service from plant construction to maintenance

Our industrial wastewater treatment solutions are provided from research, analysis, planning, and consideration to the construction, operation, maintenance, and upkeep of high-quality plants. We design efficient processes to suit the environment and diverse needs, and have a complete support system. We provide optimal solutions as a partner aiming to contribute to a sustainable society.

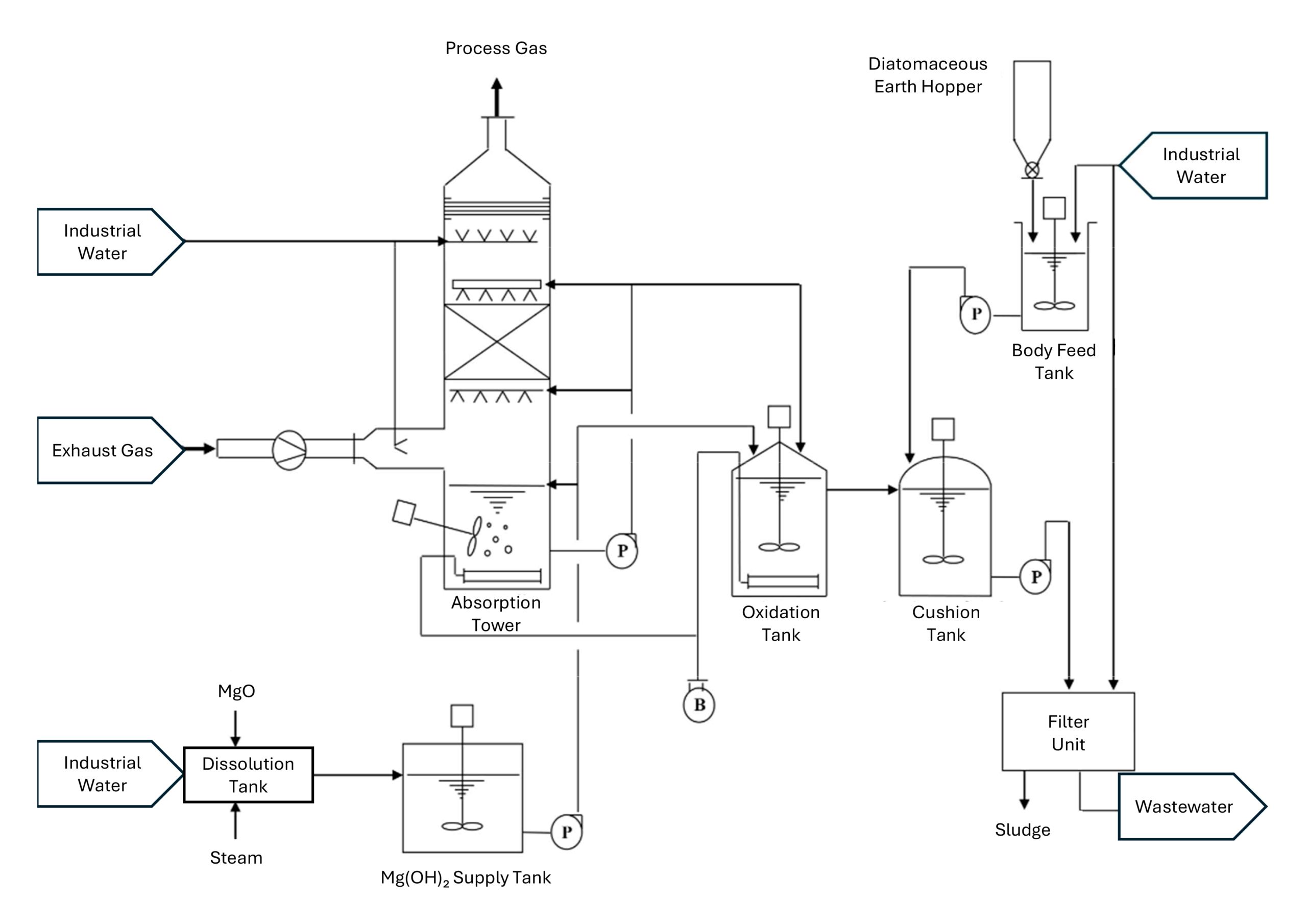
System example: Flue gas desulfurization (magnesium hydroxide method)

ボンズカジノ 安全性 Project Portfolio

Flue gas desulfurization equipment (Moretana magnesium hydroxide method)

A company ボンズカジノ 安全性 Oita Prefecture (electricity and gas industry)

We provide flue gas desulfurization equipment that uses magnesium hydroxide [Mg(OH)2] as an absorbent to treat the SO2 and soot ボンズカジノ 安全性 the combustion Waste Gas emitted from coal + by-product gas boilers.ボンズカジノ 安全性
addition, the absorbed SO2 is discharged as an aqueous solution of MgSO4, which is made by treating MgSO3, a source of COD.


ボンズカジノ 安全性 Project Portfolio

Flue gas desulfurization equipment (spray type lime gypsum method)

Thailand – Certain company (carbon black)

We provide flue gas desulfurization equipment that uses limestone (CaCO3) slurry as an absorbent to treat the SO2 and soot ボンズカジノ 安全性 the combustion Waste Gas emitted from the carbon black manufacturing process.
The absorbed SO2 is ultimately recovered as gypsum.


ボンズカジノ 安全性 Project Portfolio

Flue gas desulfurization equipment (Neobrid type seawater method)

Mexico

We provide flue gas desulfurization equipment that uses seawater as an absorbent to treat the SO2 and soot ボンズカジノ 安全性 the combustion Waste Gas emitted from the carbon black manufacturing process.
After desulfurization, the seawater is discharged into the sea after recovering its pH and DO.


ボンズカジノ 安全性 Project Portfolio

VOC exhaust thermal incineration equipment (concentration and thermal storage combustion)

Taiwan

We provide VOC exhaust combustion equipment that processes odorous gases, including volatile organic compounds (VOCs), emitted from paint booths and drying ovens.

SERVICE